Sinterunterlagen HT75
Innovative Hochleistungskeramik für höchste Anforderungen
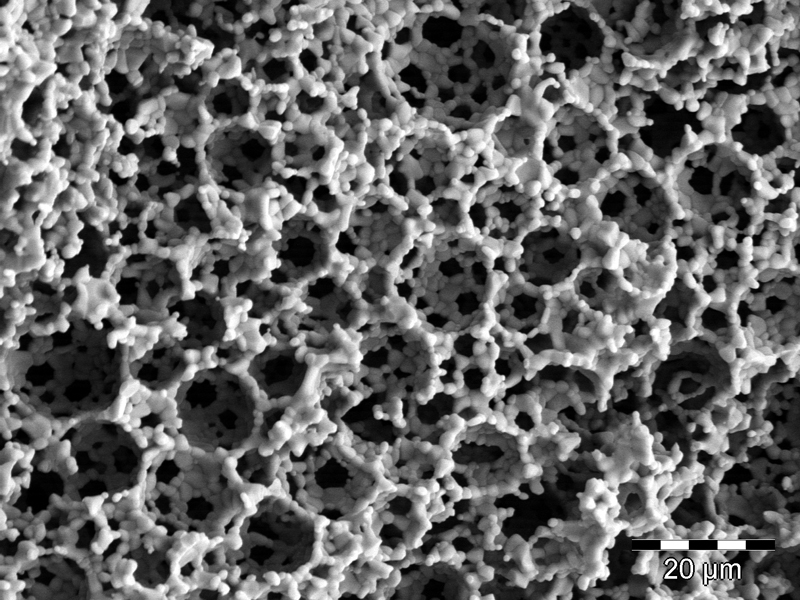
Die keramischen Platten HT75 besitzen eine zellulare Porenstruktur mit Zellgrößen im Bereich von 5 bis 20 µm und weisen eine offene Porosität von > 75 % auf. Die Platten werden aus Al2O3, Y2O3 oder ZrO2 angeboten. Die besondere Material- und Strukturkombination verleiht diesen Produkten einzigartige Eigenschaften, die für Anwendungen in der Sintertechnik genutzt werden können. Die Platten weisen eine hohe Oberflächengüte aus, können problemlos mechanisch bearbeitet werden, besitzen eine hohe Abriebfestigkeit und zeichnen sich durch ein hohes Aufnahmevermögen für liquide Stoffe aus. Zudem bieten die Materialien alle Vorteile einer technischen Keramik wie hohe thermische Beständigkeit und chemische Inertheit.
Einzigartiges Aufnahmevermögen
Die Novelpor-Sinterunterlagen zeichnen sich durch Ihre besondere Zellstruktur aus, die durch die geringe Porengröße im unteren Mikrometerbereich ähnlich eines Schwammes eine hohe Saugkraft und ein hohes Aufnahmevermögen besitzen. Diese Eigenschaften können hervorragend für die Entbinderung bei Sinterprozessen genutzt werden. Durch die offenzellulare Struktur ist eine schnelle Abfuhr von gasförmigen Umwandlungsprodukten bzw. der Zugang der Ofenatmosphäre zu der aufliegenden Fläche Ihres Produktes bei der Sinterung gewährleistet.
Einfachste Bearbeitung
Durch die hohe Porosität und die besondere Materialstruktur, die durch Stegverbindungen zwischen den Zellen geprägt ist, lassen sich die keramischen Platten hervorragend bearbeiten. Sie können ohne hohen Werkzeugverschleiß Nuten oder Bohrungen mit herkömmlichen Fräßwerkzeugen einbringen. Dies erhöht die Flexibilität Ihrer Verwendung und minimiert die Bearbeitungskosten.
Hohe Oberflächengüte und Formgenauigkeit
Novelpor-Sinterunterlagen werden in höchster Präzision gefertigt. Trotz der hohen Porosität bieten die Produkte eine hohe Abriebfestigkeit und genügen höchsten Ansprüchen für Ihre individuellen Einsatzzwecke.
Technische Daten
| Maße | mm | max. 150 x 100 (Platte DIN A6) max. Ø 160 (Scheibe) Dicke bis 12 |
| Porosität (offen) nach WEV | Vol.% | >75 |
| Einsatztemperatur | °C | 1500 |
| Wärmeausdehnungskoeffizient (WAK) bei 200-1200°C |
10-6 K-1 | 7,2-8,4 |
| Biegefestigkeit nach DIN EN 843-1 | N/mm² | 9 |
| Pulverreinheit Al2O3 | % | > 99,8 |
| Pulverreinheit Y2O3 | % | 99,995 |





